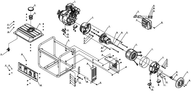
CHAMPION GG1300 - деталировка

CHAMPION GG1300 - деталировка

CHAMPION GG1300 - деталировка

Инструкция / Руководство по эксплуатации

Категория: Оборудование Генераторы / Сварка / Двигатели

Бренд: CHAMPION

Тип устройства: Бензиновый генератор

Количество страниц: 5

Размер файла: 980.05 Кб