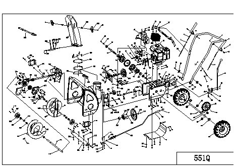
DDE ST6556L чертёж

DDE ST6556L чертёж

DDE ST6556L чертёж

Инструкция / Руководство по эксплуатации

Категория: Оборудование Садовая техника

Бренд: DDE

Тип устройства: Снегоуборщик

Количество страниц: 1

Размер файла: 632.18 Кб