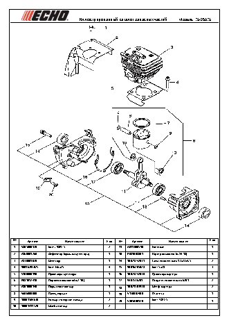
ECHO ES-250ES (деталировка)

ECHO ES-250ES (деталировка)

ECHO ES-250ES (деталировка)

Инструкция / Руководство по эксплуатации

Категория: Оборудование Инструменты / Контрольно-измерительные приборы

Бренд: ECHO

Тип устройства: Воздуходувное всасывающее устройство

Количество страниц: 7

Размер файла: 756.06 Кб