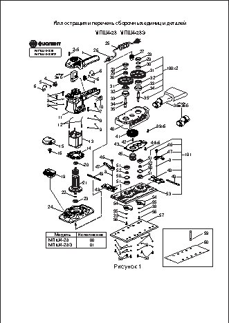
ФИОЛЕНТ МПШ 4-28

ФИОЛЕНТ МПШ 4-28

ФИОЛЕНТ МПШ 4-28

Инструкция / Руководство по эксплуатации