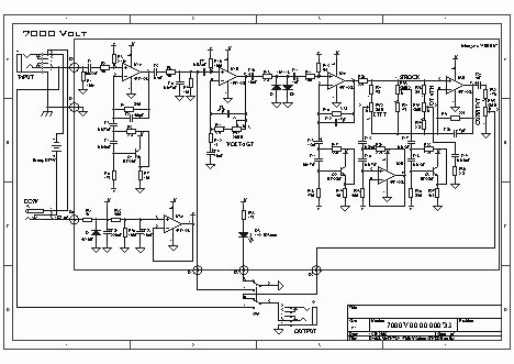
YERASOV 7000 VOLT

YERASOV 7000 VOLT

YERASOV 7000 VOLT

Инструкция / Руководство по эксплуатации

Категория: Музыкальное оборудование Звуковое оборудование

Бренд: YERASOV

Тип устройства: Гитарный эффект

Количество страниц: 1

Размер файла: 111.03 Кб