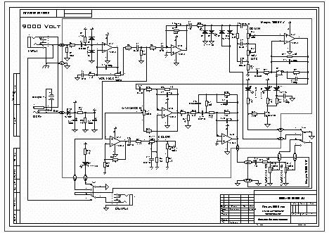
YERASOV 9000 VOLT

YERASOV 9000 VOLT

YERASOV 9000 VOLT

Инструкция / Руководство по эксплуатации

Категория: Музыкальное оборудование Звуковое оборудование

Бренд: YERASOV

Тип устройства: Гитарный эффект

Количество страниц: 1

Размер файла: 133.31 Кб