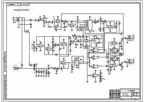
YERASOV CHORUS CE-3
YERASOV CHORUS CE-3
Инструкция / Руководство по эксплуатации
Категория: Музыкальное оборудование Звуковое оборудование
Бренд: YERASOV
Тип устройства: Гитарный эффект
Количество страниц: 1
Размер файла: 119.26 Кб